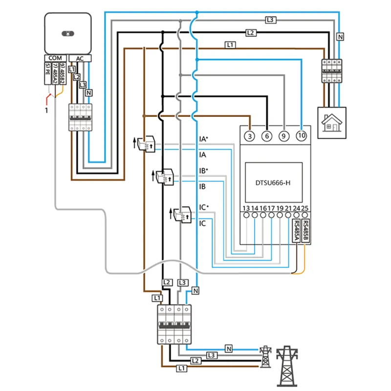
Đồng hồ điện thông minh 3 pha DTSU666-H 250A/50mA (Đo gián tiếp)
Thông tin sản phẩm
- Xuất xứ thương hiệu Huawei Technologies
- Xuất xứ (Made in) China

Huawei DTSU666-H 250A/50mA là thiết bị đo điện năng ba pha chính xác cao, tích hợp biến dòng (CT) 250A/50mA, giúp giám sát và quản lý hiệu quả dòng điện, điện áp, công suất và năng lượng trong hệ thống điện mặt trời dân dụng và thương mại.
🌟 Tính năng nổi bật
-
Đo lường chính xác cao → Điện áp: ±0.5%, dòng điện/công suất/năng lượng: ±1%, tần số: ±0.01 Hz.
-
Phạm vi đo rộng → Dòng điện: 0–250A, điện áp: 304–499V (3 pha), phù hợp cho hệ thống 3P4W hoặc 3P3W.
-
Tích hợp màn hình LCD → Hiển thị thông số rõ ràng, dễ theo dõi và cấu hình.
-
Giao tiếp RS485 – Modbus RTU → Dễ dàng tích hợp với nền tảng FusionSolar hoặc hệ thống quản lý bên thứ ba.
-
Lắp đặt linh hoạt → Gắn trên thanh DIN35mm, thiết kế nhỏ gọn, dễ thi công.
-
Tiêu thụ điện năng thấp → Dưới 1W, tiết kiệm năng lượng khi vận hành liên tục.
-
Chống chịu môi trường tốt → Nhiệt độ hoạt động từ –25°C đến +60°C, độ ẩm 5–95% (không ngưng tụ).
📦 Phụ kiện đi kèm
-
3 biến dòng 250A/50mA (dài 5m)
-
Cáp RS485 dài 10m
Huawei DTSU666-H 250A/50mA là giải pháp lý tưởng để đo lường và kiểm soát năng lượng trong các hệ thống PV yêu cầu độ chính xác cao và khả năng giới hạn xuất điện (Zero Export).
Tải hướng dẫn lắp đặt





