SmartGuard-63A-S0/AUS0
Thông tin sản phẩm
🔋 Huawei SmartGuard -63A-S0/AUS0 – Giải pháp lưu điện toàn diện cho cả ngôi nhà
Huawei SmartGuard là thiết bị chuyển mạch và lưu điện thông minh, giúp duy trì nguồn điện liên tục khi mất điện lưới. Thiết bị tích hợp nhiều tính năng nổi bật:
-
Chuyển mạch siêu nhanh ≤ 20ms: Đảm bảo thiết bị điện trong nhà không bị gián đoạn khi mất điện.
-
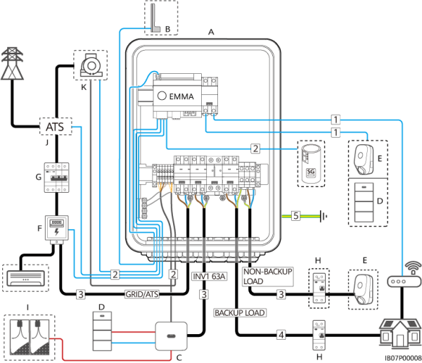
Tích hợp EMMA (AI Energy Management Assistant): Quản lý năng lượng thông minh, ưu tiên thiết bị quan trọng và lập lịch sử dụng điện.
-
Thiết kế tích hợp cao: Bao gồm đo lường, quản lý và giao tiếp – dễ dàng lắp đặt, không cần bảng điện phụ.
-
Chế độ bypass thủ công: Cho phép duy trì nguồn điện ngay cả khi thiết bị gặp sự cố.
-
Điều khiển thiết bị thông minh: Hỗ trợ các ổ cắm Shelly để kiểm soát thiết bị gia dụng theo thời gian thực.
SmartGuard phù hợp cho cả hệ thống điện một pha và ba pha, là lựa chọn lý tưởng để kết hợp với hệ thống điện mặt trời, giúp tối đa hóa khả năng tự tiêu thụ và đảm bảo an toàn năng lượng cho gia đình.
Huawei SmartGuard-63A-S0/AUS0 (NEW) là phiên bản nâng cấp của dòng thiết bị lưu điện một pha, được thiết kế để cung cấp giải pháp dự phòng toàn diện cho cả ngôi nhà. Dưới đây là những điểm nổi bật:
⚡ Tính năng chính
-
Công suất hỗ trợ lên đến 63A – đủ để cấp điện cho toàn bộ ngôi nhà khi mất điện.
-
Chuyển mạch siêu nhanh ≤ 20ms – đảm bảo thiết bị điện không bị gián đoạn.
-
Tích hợp EMMA (AI Energy Management Assistant) – quản lý năng lượng thông minh, ưu tiên thiết bị quan trọng.
-
Thiết kế tích hợp cao – bao gồm đo lường, quản lý và giao tiếp, không cần bảng điện phụ.
-
Chế độ bypass thủ công – đảm bảo nguồn điện liên tục ngay cả khi thiết bị gặp sự cố.
-
Lắp đặt đơn giản – chỉ cần gắn lên tường, không cần lắp ráp phức tạp.
🧠 Thông minh & linh hoạt
-
Tự động phân bổ điện năng theo mức ưu tiên khi pin yếu.
-
Hỗ trợ điều khiển thiết bị qua ổ cắm Shelly – lập lịch và ưu tiên sử dụng điện.
-
Tương thích với các thiết bị như bộ điều khiển năng lượng, bộ sạc xe điện, và hệ thống lưu trữ điện Huawei.
Đây là lựa chọn lý tưởng cho các hộ gia đình muốn nâng cấp hệ thống điện mặt trời với khả năng dự phòng thông minh, an toàn và dễ triển khai. Nếu bạn muốn mình trình bày lại nội dung này thành bài viết website, brochure, hoặc bảng so sánh với phiên bản ba pha, mình có thể hỗ trợ ngay! ⚙️🏡🔋
Thông số kỹ thuật






